平林印刷様(株)様 千代田区

千代田区のお客様、平林印刷(株)様 50坪新規オフィス施工例です。
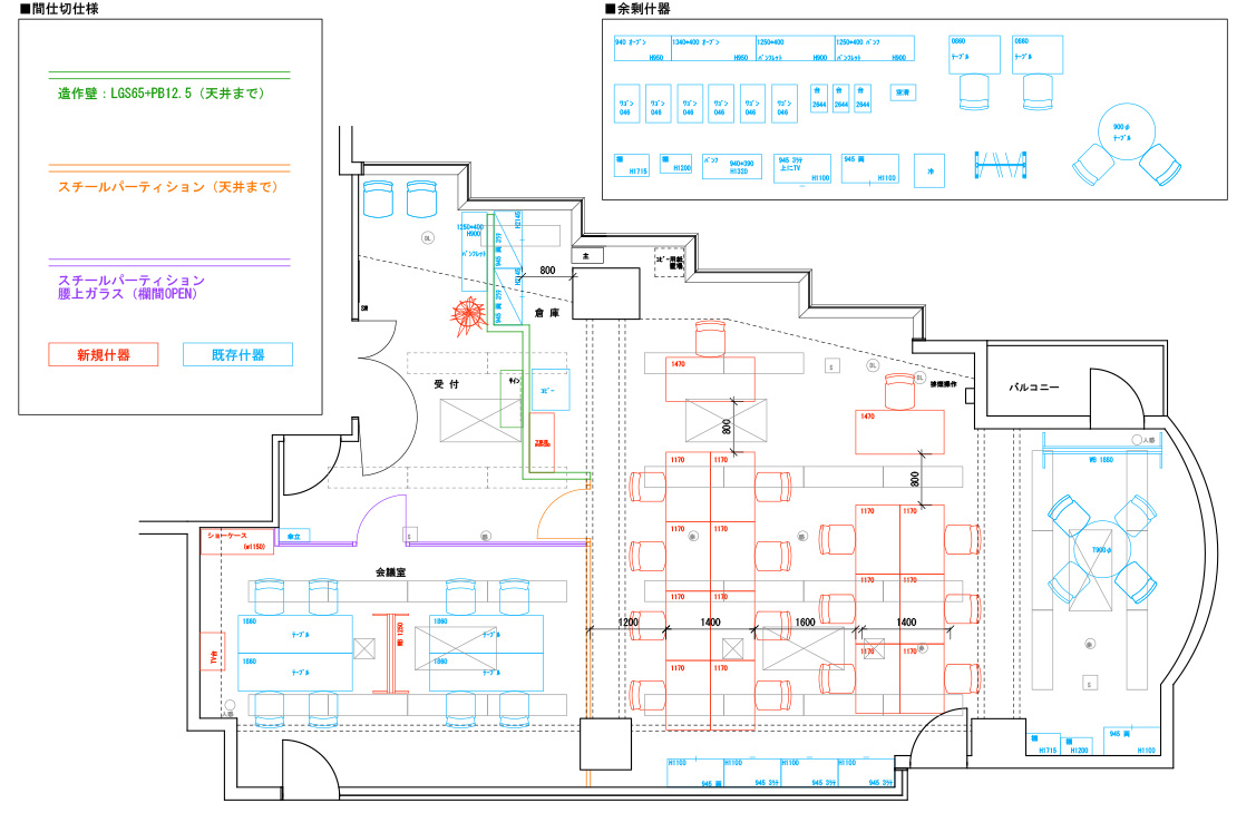
<施工内容>
インフォメーション造作工事、ガラスパーティション施工の会議室、ビジネスホン、LAN構築工事・OA電源工事

 


 

画像をクリックで拡大します。

 

2017.03.28

PAGE TOP